CO2 F-theta Lenses

The 03 Series of F-theta scanning lenses is designed to provide diffraction-limited optical performance over relatively large fields. Their multiple-lens-element design provides smaller focus spot sizes with virtually no deviation over the entire field and are, therefore, superior to single-element scan lenses. Air-spacing and anti-reflection coatings allow for optical power handling capability in excess of several hundred watts.

Features

  • Computer designed for minimal wavefront distortion and best focus
  • True F-theta performance
  • Scan field widths from 36 mm to 140 mm

Applications

  • Laser marking and engraving
  • Materials Processing
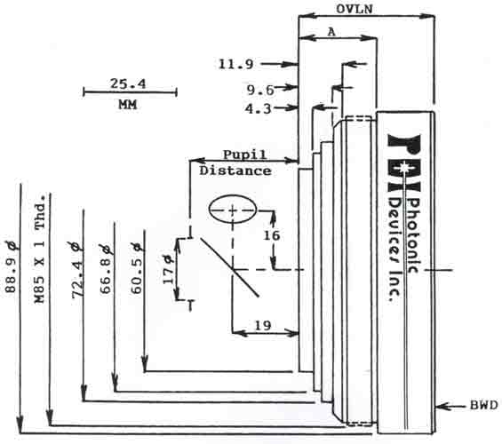
drawing
click to enlarge

Thank you for your interest in DPM Photonics and our products. For more information, please contact us online or call us at (860) 872‑6573.