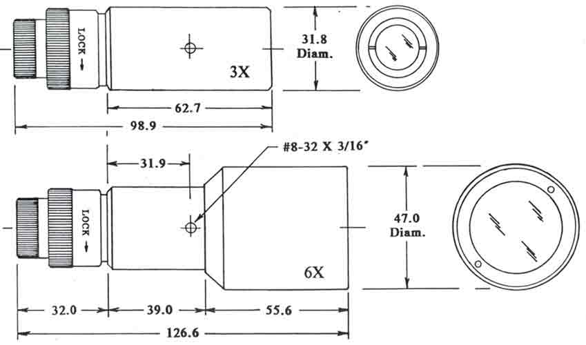
Beam Expanders

Photonic Devices’ precision Galilean beam expanders have been sold globally for over 20 years and include an extensive number of standard models. These multi-element beam expanders have been computer-designed to provide excellent wavefront quality with minimum beam deformation. All lens elements are air spaced and the majority of models have variable air spacing for collimation adjustment. All lens surfaces have multilayer antireflection coatings, with power handling capabilities over 1kW (> 200W for beam expanders operating at 10.6 microns).

Features

  • Standard wavelengths range from 266 nm to 10600 nm
  • Multiple element designs for minimum wavefront distortion
  • High power handling
  • Variable magnification capability on Zoom Expanders
  • A miniature 1.5X pre-expander (0.67X if attached in the reverse direction) may be added to most models to extend the range of magnification.
  • All models are compatible with the MG001 Series of Alignment Gimbal Mounts

Applications

  • Materials Processing
  • Marking
  • Cutting
  • Welding

Click on the column headers to sort.

{{ hname }}

!Surplus Products

We currently have a surplus of the following products, available at substantially discounted prices. All products offered are subject to stringent fabrication tolerances and strict quality standards. Please contact us for details.

{{ hname }}

drawing
click to enlarge
drawing
click to enlarge

Thank you for your interest in DPM Photonics and our products. For more information, please contact us online or call us at (860) 872‑6573.